变频器无输出故障的“深度解密”

变频器无输出的故障,是一个具有普遍性的故障,其故障机理和涉及电路层面也是较为宽泛的。本文特指在操作与显示都正常的前提下,在变频器的U、V、W输出端子得不到输出电压的故障,从面板的数码显示器(显示正常的输出频率值)、状态指示灯(接受运行指令后,RUN指示灯正常点亮)看,变频器已经进入“正常的工作状态”,主板MCU也作出如此判断,因而并不报出相关故障代码或作出异常指示。变频器此一智能化程度较高的设备,怎么会对这种无输出故障不能作出正常反应呢?再就是,对此一故障的检修,涉及主板单片机MCU的6路PWM输出脉冲,中间缓冲电路、驱动IC电路、驱动电源和逆变功率模块等多个环节,而检修的结果是多个电路环节,都“表现正常”,故障由此令人挠头:电路正常,但无输出,不易查找出故障环节!
检修者与此种故障的遭遇率又非常之高,《变频器维修论坛》上就有大量这类求助帖子,说明这类故障非常有代表性,也有必要作出较为深入的剖析,故本文破天荒第一次地用了“深度解密”这一吸收人眼球的题目,希望本文的推出能引起大家的注意和讨论,并能从中有所获益。这类帖子多了,感觉我的个别性解答无法触及主旨,早就想着写一篇专文探讨这个问题,但苦于抽不出大块时间,嗨,但这个事成了压在心头的一块石头,不搬开还真是不舒服,还是以此文将此事彻底了结吧。
先看一下论坛网友们有关这个故障的几个帖子,对这类故障的表现出能有个清楚的认识:
1)请教 紫日变频器维修后有输入频率无输出
前两天接了台紫日变频器(恒压供水用的),被雷击了,整流器、开关管、变压器、还有几个小件,都换了。现在通电试显示正常,接负载(灯泡)无显示无电压
请大侠指点指点!
2)富士G9变频器有频率显示却没有电压输出
富士G9变频器启动运行,面板上有频率显示也可以查看到电压显示,但输出端子却没有电压输出(频率输出显示二十多HZ),且用直流挡测输出对正有五百多伏直流电压,对负没有电压,不知是什么原因肯求高手告知,且更换主板也一样
3)三菱A540 5.5 kw变频器能运行无输出故障
手头有一台三菱A540的5.5kw的变频器,现在已经确定模块没有坏,上电显示正常,也能运行运行起来到达50HZ后看面板的输出电压是在0V慢慢升到360V左右,显示基本上都是正常的。可是输出就是一点电压都没有,而且也没有报警,测试驱动IC根本没有接收到脉冲。请遇到了类似故障的老师给指点下,这台机器一开始时报欠压。上电就抱是7800坏了换上就好了,但是运行起来后就没输出,因为没有1302H02的资料所以不好确定到底是哪里坏了,所以请熟悉的给指点下或者那位老师能告诉我一个简单的方法判断是主板坏了还是底板坏了,现在我就是怀疑1302H02可手头没有配件所以还请有经验的老师指点一下谢谢
4)iG5系列变频器没有输出?
大家好!请教一台iG5系列变频器工作时有频率显示就是没有输出,负载是风机。给变频器断电复位后变频器工作正常也有电压输出。小弟接触的少还请各位大师请指教!
5)康沃变频正常启动运行指示灯亮但没有输出是什么问题?
康沃变频正常启动运行指示灯亮但没有输出是什么问题?
6)为什么输出没电输出?
220V输入,能开机,能工作,但U V W没电输出。
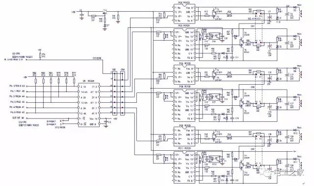
下面看一个驱动脉冲传输通道的电路图。
这是一例HLPP001543B型15kW变频器,驱动脉冲的传输通道,由MCU引脚输出的6路PWM脉冲,经U5(HC365三态同相缓冲门)中间缓冲/驱动级电路、驱动IC隔离、末级功率放大电路,放大后输入IGBT的栅、射极。电路工作原理不再赘述。
上图画得好(先王婆卖瓜地夸一下)!这是一个完整的逆变脉冲的传输通道和供电回路,难得(只有我不嫌麻烦,是按信号流程如此画图啊)。
主板MCU输出的6路PWM脉冲信号,往往要经中间一级缓冲/驱动电路,再输入末级驱动电路(有光电隔离作用),若需驱动大功率(一般指100A以上功率模块)模块,驱动IC输出的脉冲信号还要经后级功率放大电路,放大后,再直接驱动IGBT。驱动IC的的输出侧供电,通常采用4路或6路想到隔离的供电电源;而输入侧供电,往往采用+5V或由+5V经稳流电路处理所供给的电源,——驱动IC为光耦合器件,输入、输出侧各有独立的供电电源,和形成独立的供电回路,这是电路原理分析和故障检修中,尤其需要注意的地方。
本例驱动电路采用PC923、PC929的经典电路结构,由PC929将下三臂IGBT的故障检测信号,经3只光耦合器,馈回MCU主板电路。
对驱动电路的故障检修,有一例极普遍又有代表性的故障现象是:变频器的相关起动、停止操作控制都正常,面板也能正常显示工作状态,RUN指示灯能正常指示运行状态,显示器能正常显示输出频率值,变频器的表现“一切正常”,不报OC、SC、输出缺相等故障,但就是没有3相输出电压,变频器其实又明显地处于“罢工状态”。检测驱动IC和驱动电源,往往都是正常的,检测MCU输出的6路脉冲,也有,说明前级缓冲/驱动电路(上图中的U5)也是正常工作的,有些检修人员就挠头了:问题到底出在哪里呢?
1)由驱动IC的供电电源和驱动IC的损坏造成无输出故障的原因,基本上是可以排除的,6路驱动电源的驱动IC同时损坏的可能性几乎是不存在的。
2)U5芯片坏掉或控制端1、15脚电平状态,都会切断脉冲传输通道,表现出无输出的故障现象,但通过测量输入、输出脚的脉冲电压值,便能方便判断出该级电路的故障。
3)驱动IC输入侧的供电电源异常,是造成U、V、W输出端电压为零的故障原因,是变频器操作显示均正常但无输出的“第一肇事者”。晶体管T16、稳压二极管Z7构成稳流输出电路,对+5V处理后,作为6路驱动IC的供电电源,当稳压二极管Z7短路或T16短路损坏,虽然电路的稳流作用消失,但驱动电路仍能得到工作电源而正常工作。当T16、Z7或R79、R80断路或虚焊时,驱动IC输入侧的供电消失,驱动电路全部停止工作,变频器产生无输出故障。
驱动IC输入侧电源丢失后,但测量驱动IC的输入端(如PC5的2、3脚)似乎仍有“信号电压”输入,这是一个较易迷惑人、易产生错误判断的地方!由前级电路来的脉冲信号,是一个最低电平为0V,最高电压为+5V的矩形脉冲信号,其直流平均值约为2.5V左右。当驱动IC输入侧的供电正常时,逆变脉冲的负向脉冲电压到来,提供了驱动IC输入侧内部发光二极管的正向导通电流,由此完成了脉冲信号的传输。而当T16电路损坏后,当正向脉冲信号到来时,经R15、R16、R81到地,形成驱动IC输入侧内部发光二极管的反向截止偏压,并在R16上形成较大压降(也即是在驱动IC两输入引脚上形成电压降),此时检测驱动IC两引脚之间的脉冲电压,会使检修者误认为前级电路的脉冲信号已经正常加到驱动IC的输入端,而忽略对T16供电电路的检查,致使检修工作进入了“死胡同”!
如果用交流电压档,则PC5输入端2、3脚之间的信号,则随启动、停止操作,变化明显,好像脉冲信号已经“正常到来”;换用直流档测量,如果注意一下PC5输入端2、3脚之间的电压极性,故障原因即暴露无遗:T16供电正常时,脉冲信号电压极性为2脚为正,3脚为负。T16供电消失后,测得脉冲电压极性为3脚为正,2脚为负,PC5内部发光二极管处于反向偏置,驱动IC就无法向后级电路传输脉冲信号了。
4)驱动IC输出侧的共用供电电源消失,造成无输出故障。
有些变频器的驱动电路,下三臂IGBT因驱动信号共地,故共用一路驱动电路,如上图中的PC3、PC8、PC11,假定其共用一路驱动电源,当电源供电因故障消失后,即驱动PC3、PC8、PC11同时失掉供电电源,IGBT三相桥式逆变功率电路中,上三臂IGBT能获得正常的触发信号,而下三臂IGBT则同时失掉触发信号,因不能形成输出电流回路,在U、V、W输出端,也不能测得输出电压。
同样,会造成操作显示正常,但变频器无输出的故障,同驱动IC输入侧的供电异常,所造成的故障现象几乎是一样的。
这里藏着一个问号啊(让我索性说破一个机密吧),变频器无输出时,驱动电路为何不能向主板MCU返回OC信号呢?
1)当驱动IC输出侧供电丢失后,如PC3、PC8、PC11的供电同时失去,其内部IGBT故障检测电路当然也同步“罢工”,下三臂的3只IGBT不能正常开通的故障信号,也就无法传输至MCU电路;
2)PC929是由内部IGBT故障检测电路——实质上是检测IGBT开通时管压降信号。检测动作或检测时机,是在接受正向激励脉冲信号期间实施的,当驱动IC输入侧的供电电源消失,PC929内部检测电路认为一直处于停机状态,无脉冲信号来到,也就不会向MCU回馈OC信号。
这也就是,虽然变频器的U、V、W端子无电压输出,但并不产生报警信号,变频器的操作显示面板,仍旧显示“运行正常”的原因。
此外,MCU确实已经输出正常的6路脉冲信号,也没有其它故障信号返回MCU,操作显示面板,不显示“正常状态”,又能作何显示呢?
变频器故障中,这几乎是唯一例操作与显示状态正常,而无输出的故障。


